Possibilité d'utilisation d'un relais NODON SIN-4-1-20 avec une motorisation NICE ROBUS 400

Bonjour à tous,

Je possède un portail avec une motorisation NICE ROBUS 400 que j’utilise actuellement avec 2 télécommande.

Y’a-t-il une possibilité de contrôler la motorisation avec un relais multifonction à contact sec de type NODON SIN-4-1-20 ? Si oui, pouvez-vous m’aider sur le branchement à effectuer ?

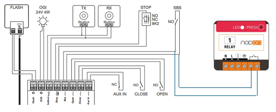
Voici les schémas que j’ai récupéré :

Je vous remercie par avance.
Aurel

Salut,
Sauf erreur de ma part, il te faudra 2 Nodon.
1 pour commander l’ouverture et l’autre pour la fermeture.
A moins que tu ne gères que l’ouverture et que la fermeture se fasse après la temporisation auto.

1 « J'aime »

C’est bien cela, il faut un contact pour ouverture et un contact pour la fermeture

Comme le précise @fredarro ,le portail possède un système de fermeture automatique.
Donc il est possible d’utiliser un seul contact pour ouverture.

Ok. Merci pour votre coup de main.

Cela m’embête d’utiliser 2 relais pour ouvrir et fermer mais je n’ai pas d’autres solutions. Je n’aime pas la solution avec fermeture auto…

Pouvez-vous m’orienter pour le câblage d’un relai ?

Sinon, est-ce que celui-ci nécessite l’utilisation de 2 modules : Dual Relay Module T2 - Aqara

Merci.
Aurel

Il possède bien deux contact, mais ils sont pas complètement séparé (les contacts ont un commun). Sur le schéma de ton portail, les 2 contacts sont complètement séparé (pas de commun).
Du coup je suis pas sur que cela puisse convenir.

Plutôt voir pour ce type de module
(Si tu en trouve encore…ou similaire)
https://www.domotique-store.fr/domotique/usages/eclairage-et-ambiances-par-domotique/modules-encastrables/micromodules-switch-domotiques-sans-fil/1964-module-commutateur-avec-contact-sec-compatible-zigbee-orvibo.html#description

https://www.googleadservices.com/pagead/aclk?sa=L&ai=DChcSEwiSibi68rCEAxWzh2gJHRYABEYYABA7GgJ3Zg&ase=2&gclid=CjwKCAiArLyuBhA7EiwA-qo80HZeKN_Q7l5X9w69sOlIj-wjRfMHwFCPeF9ss8Yacv4e3GDv6XtshBoCTXoQAvD_BwE&sph=&ohost=www.google.com&cid=CAESVuD24NPPL5vPP2flwBrpexcbUepxgW1I6A6EnQ61oPHNCL9kh8pux6dCtHwZLye1Dzt3IdWeISr4xt86-qvDK6A7ekpQ5jgY6NM5XtXHjav1yL1WtKnZ&sig=AOD64_1z1dwXItJ3nHc8BNXtK2LxHqOi2A&ctype=5&q=&nis=6&ved=2ahUKEwiCyLC68rCEAxXFfqQEHYIGBRkQwg8oAHoFCAUQswE&adurl=

Après tu as d’autres modèles en zigbee, avec deux contact, mais pas alimenté en 220v.

Ce ne sont que des suggestions, je ne les ai pas utilisé personnellement. il faut vérifier si c’est adapté à ton besoin (il y a peut être mieux ou plus adapté).

Pas besoin de 2 modules. Un seul suffit et tu utilises les bornes sbs.
Teste avec un bout de câble avant si tu veux.

1 « J'aime »

Effectivement, il y a une entrée pas a pas (sbs).(Je l’avais pas vu)
Tu peux faire la commande avec un seul contact.
En reliant le contact sec du nodon sur les bornes SBS.

Apres il faut vérifier et éventuellement modifier si le mode pas a pas réglé par défaut (ouverture-stop-fermeture-ouverture) sur ton portail te convient. Mais c’est modifiable.

1 « J'aime »

Bonjour @pascal_ha,

Dès que la pluie s’arrête ( :sweat_smile:), je vais me pencher sur mon portail. Je prépare les actions.
Globalement, il faudrait que je me branche comme ceci:

J’ai parcouru la doc et effectivement il y a plusieurs réglages pour le SBS. Que signifie le réglage « ouverture-stop-fermeture-ouverture » ?

Merci pour ton aide.

Chaque mot est un ordre envoyer au moteur qui se suivent dans la séquence indiquée.
1ere impulsion ouverture
2nde stop
3eme fermeture
Etc…

Normalement ça correspond exactement au comportement de ta télécommande

Oui OK. Effectivement. Je m’attendais à « ouverture-stop-fermeture-stop »… Mais oui, si j’appuie sur le bouton de la télécommande alors que je suis en train de fermé, j’envoie l’ordre d’ouvrir.

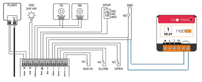
Pour le câblage, est-ce bien cela ?
Merci.

Oui le cablage est bon. Le contact sec du module en parallèle sur sbs.
Oui se sont les ordres pendant les phases de mouvement.
Si le portail est ouvert a fond l’ordre sera forcément fermeture et non pas stop.

1 « J'aime »

OK, c’est clair pour moi.
Il va également falloir que j’alimente le module via N+P, non représenté ici.

Par contre, quelles sont les stratégies pour avoir le retour de l’état « ouvert » ou « fermé » du portail ?

Tu peux t’inspirer de ça :

Ou alors te servir d’un relais 24v

La sortie SCA te donne l’info, 24v si ouvert (en fonction de sa programmation bien sur)

Hello,

J’ai effectué mon câblage sur le SBS comme indiqué sur le schéma un peu plus haut: ça fonctionne bien. Je gère l’impulsion via un script de HA qui active une impulsion et l’arrête 0.5 s plus tard.

J’ai un capteur zigbee aqara qui me permet d’avoir l’information si le portail est fermé.

J’ai également un module Aquara T1. Je pense que celui-ci pourrait piloter le OPEN et le CLOSE. L’avantage est que j’aurais la position du portail en connaissant le dernier activé. Par contre, je ne comprends vraiment pas comment le câbler.
Pouvez-vous me conseiller ? (dois-je utiliser S1/S2/COM?)

Merci.

Bah un contact sec sur le open et un contact sec sur le close comme sur le schéma.
Par contre aucune idée si ton aquara est avec des contacts secs.

Salut Aurel,

Est-ce que ça te dérangerais de me donner ton script ? J’aimerais voir ce que ça donne avec ces paramètres.

Merci à toi !

Salut @Raphaeld,

Pas de soucis:

impuls_osf_portail:
  description: Gestion de l'impulsion du relais ouverture/stop/fermeture du portail
  sequence:
  - service: switch.turn_on
    target:
      entity_id: switch.switch_portail
    data: {}
  - delay:
      milliseconds: 500
  - service: switch.turn_off
    target:
      entity_id: switch.switch_portail
  mode: single

Bonjour Aurelb87,

Je suis dans le schéma que toi moteur robuste 400, je cherche à domotiser mon portail as - tu le schéma de câblage à me donner stp et comment as-tu fais pour le retour d’état ? Je assez curieux :flushed: merci pour aide précieuse :sunglasses: bonne soirée

Salut
Tu as le schéma de cablage au dessus.

Je suis dessus aussi, j’ai fait un autre post, je suis parti sur un double contact sec sur les bornes open et close (pas sur le sbs)