Domotisation Filtration piscine avec SHELLY

Bonjour,

Je souhaite domotiser ma filtration de piscine ( IBIZA pour ceux qui connaissent) avec leur tableau électrique FULL comme ils disent.
Dans ce tableau, on a notamment un interrupteur 6A disponible pour protéger leur installation domotique propriétaire IBA CONNECT ( que je n’ai pas car couteuse)

Leur domotique se connecte au A1 d’un contacteur de puissance MC1-25 de chez ONESTO qui commande la pompe de filtration.
Ce meme A1 reçoit également une phase issue d’un inter 3 positions ( marche forcée - minuterie - stop)

Mon idée était de brancher un shelly 1PM ayant un addon de temperature en lieu et place de leur outil domotique ( que je n’ai pas ). Ainsi, fonction de la temperature je peux calculer le temps de filtration nécessaire. ( je m’appuis sur https://domo.rem81.com/)
Le truc c’est qu’en faisant ca, si pour une raison ou pour une autre, j’actionne le bouton 3 position en marche forcée par exemple, le shelly recoit du courant sur son 0 ( bah oui car il est branché sur le A1 qui recoit du courant de l’inter)

Bref - j’ai testé, ca a marché 1 journée, tant que l’inter était en mode stop, j’ai mis en marché forcé, depuis l’addon du shelly1PM ne fonctionne plus… hasard ou conséquence d’une erreur, je ne sais pas, du coup j’en vient à me dire que j’ai du faire une erreur…
Qu’en pensez vous ?

serait il plus sage de mettre un Shelly 1 plutot que 1PM - plus safe vis à vis du retour de courant avec son contact sec ?

Par avance merci,

Salut,
Je pense que ton cablage n’est pas le bon :
il faut que tu alimente ton shelly via la phase et le neutre et que la sortie de ton shelly soit branché sur le A1.
Comme ça, tu peut démarrer ta filtration avec ton shelly mais aussi via la position marche forcée et aussi minuterie

Merci pour ton retour.

J’ai du mal m’exprimer mais oui, mon branchement est bien celui que tu décris.
Le shelly est alimenté en phase et neutre et sa sortie ( le 0) va au A1 du contacteur.

De meme, l’interrupteur 3 positions est aussi relié au A1 ( sans passer par le shelly).

il arrive alors que, du courant entre dans le shelly par le 0 puisque envoyé par l’interrupteur 3 positions via le A1 du contacteur qui est commun.

Et j’ai l’impression que c’est cette situation qui a entrainé défaillance de l’addon température…

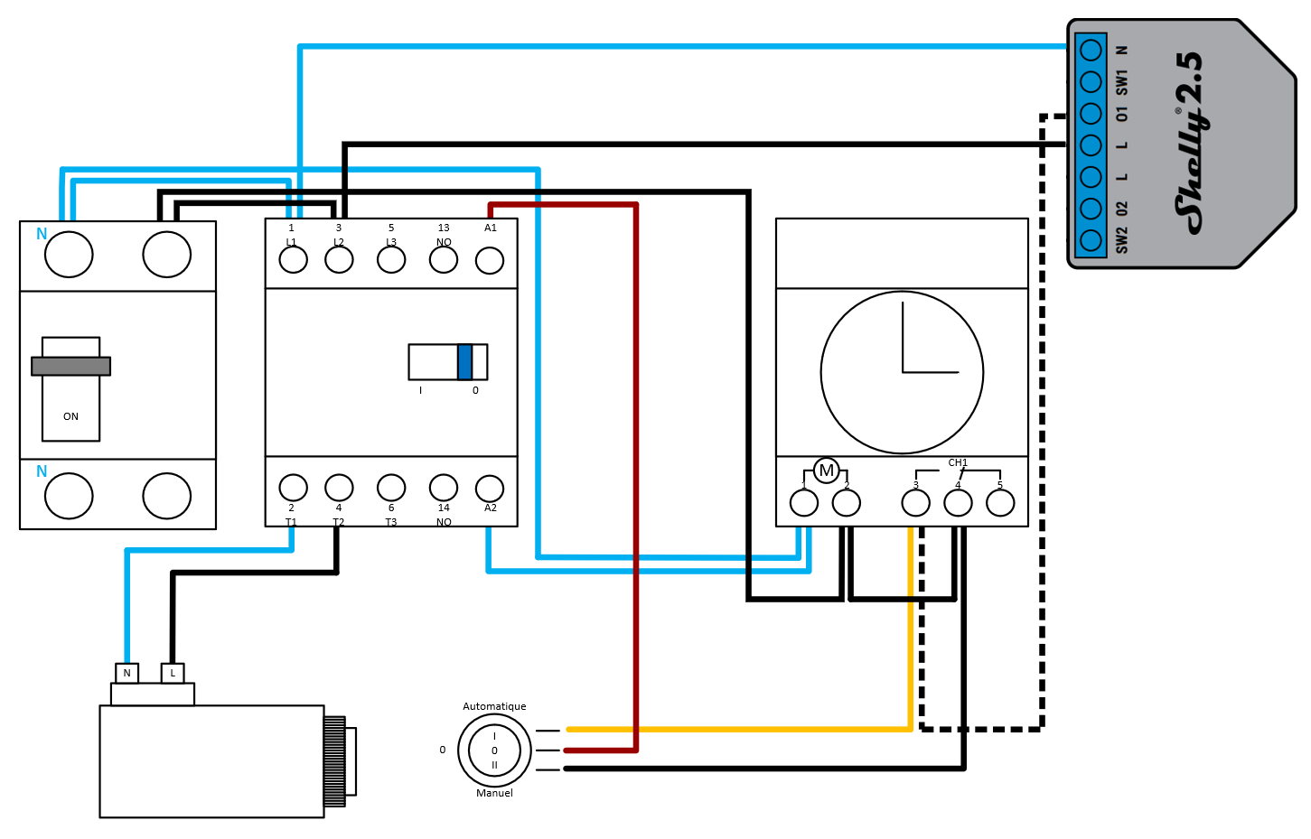
Pour plus de lisibilité, malgré la pietre qualité de mon schema, voici le cablage.

Hello,

Pas trop de secret pour le raccordement du N et L1
Concernant la commande de la pompe, personnelement, je ne l’ai pas connecté sur le relai en A1 car je ne me vois pas avoir recours à mon téléphone lorsque je dois couper la pompe lors d’un backwash.

J’ai opté pour un système complètement parrallèle à l’horloge. Je me suis donc connecté entre l’horloge et le bouton 3 positions.
Le bouton sur 0 coupe tout
Le bouton sur Manuel active directement le relai et donc la pompe
Le bouton sur Automatique active la pompe soit via l’horloge, soit via le Shelly

Le schema donne ceci

1 « J'aime »

Bonjour,
merci pour ton retour @VincentVV.
Ton explication me ça bien, me permettant de garder la main sur le moteur.
Perso je m’étais imaginé mettre un interrupteur sur le Shelly ( en mode inversé) pour pouvoir couper sans avoir de téléphone.
En fait, j’imaginais cette solution pour éviter d’avoir à recabler l’horloge et le bouton pour intégrer le Shelly.
En faisant ton schéma on est d’accord que c’est Horloge OU Shelly pour éviter le fameux retour de phase dans le 0 ?
Ou est ce que me fais des nœuds avec ce retour de phase en 0 alors qu’il n’a pas vraiment d’importance ?

Avec mon schéma, en effet, c’est soit le Shelly, soit l’horloge qui active le relai de la pompe quand l’interrupteur est sur automatique.
Je n’ai pas vécu un soucis de retour de phase sur le 0

Par contre comme on controle le lancement de la pompe par le contacteur A1/A2, on a pas la consommation de la pompe, il faut un Shelly de plus si je ne me trompe

En effet, avec ce montage là, on ne voit rien de la conso. Je pense aussi qu’à moins de mettre un Shelly em sur le câble mais ça fait cher l’information. N’ayant pas une vitesse variable, je pensais simplement procéder par calcul (puissance nominale pompe x temps de fonctionnement) pour avoir une conso approchée.

De mon point de vue, le Shelly EM est surdimensionné pour cet usage.
Un autre Shelly 1 PM peut largement faire l’affaire mais ne servira donc que pour la mesure de consommation. Sans oublier de le configurer en ON au démarrage.

Bonjour,

Je pensais aussi relier un Shelly à mon horloge.

Pour être sur je dois bien relier le fil blanc du milieu de l’horloge au Shelly ?

Le blanc est relié au bouton pour la mise en marche manuelle


Bonjour
Pour moi c’est le fil marron qui par sur A1 du relais qui alimente la pompe

Même si je veux mettre le Shelly en parallèle ?

Bonjour, je relance ce sujet car j’ai le même coffret et je souhaite également domotiser ma filtration, je peux utiliser un Shelly 1 que j’ai déjà à dispo au lieu du 1PM ou 2.5 comme évoqué dans ce post?

J’ai domotisé ma filtration de piscine, mais moi j’ai complètement dégagé l’horloge d’origine, puisque maintenant c’est le shelly qui gère ça.
Normalement l’horloge pilote un contacteur de puissance, et donc maintenant c’est le shelly qui pilote ce contacteur de puissance.
J’ai fait ça l’an dernier donc la je ne me souviens plus du câblage exact, à l’occasion je regarderai.

Ensuite pour gérer les temps de filtration de façon automatique en fonction de la température, j’ai un script shelly qui tourne qui gère toute l’année ma pompe. j’en suis très content.

Bonjour,
J’ai utilisé ce shéma et c’est parfait. Tout fonctionne bien. En ce qui me concerne, je laisse la pompe sur auto, mais je règle l’horloge du coffret sur « toujours OFF » et je règle toute la programmation avec le Shelly.
Ce qui permet de garder la capacité OFF ou Marche forcée du bouton 3 positions tout en utilisant le Shelly pour passer en ON ou OFF ou Programme.
Génial !.. Merci à VincentVV

1 « J'aime »

Bonjour,
Je souhaite également domotiser la pompe en suivant le schéma et les conseils de @VincentVV .
Il existe pleins de module shelly et je ne sais pas vraiment lequel choisir à part , si je ne me trompe pas, un shelly commutateur.
du coup si je suis dans le vrai, est ce que ce modele ci dessous conviendrait ?


merci

Bonjour,
Personne pour m’aider s’il vous plait ? :smiling_face_with_tear:

Perso pour la domotisation de la piscine, de son éclairage et tout et tout, j’ai utilisé le guide sur appdaemon que tu pourras trouver sur
https://domo.rem81.com/

Concernant les modules, j’ai plusieurs usage donc j’utilise à la fois du 1, du 1PM, du EM pour commander les différentes choses ( éclairage, mesure de température, pompe…)
L’important c’est de ne surtout piloter que les relais de puissance pour la partie filtration car il est fort probable que tes shellys ne survivent pas aux appels de puissance de la pompe.

Comme je le précise dans mon poste , je souhaite utiliser le schéma d’intégration de @VincentVV posté ci dessus et pour rappel ici:

Ma question est donc de savoir quel modèle de shelly prendre car ceratins sont des Module d’activation de scènes/actions, d’autres sont des Micromodule commutateur intelligent, d’autres sont des Micromodule commutateur intelligent Wi-Fi Shelly Plus 1 (contact sec)…bref je ne saisi pas la différence.
mon besoin c’est de démarrer la pompe soit via le shelly soit via l’horloge donc sachant que le schéma utilise une seule sortie du shelly, je me disais que le modèle shelly plus 1 (contact sec pourrait suffire ??? ou le modèle shelly plus 1 PM (il n’est pas précisé contact sec et je ne sais pas si c’est nécessaire) ??

Bref je suis une bille en élec d’où mes questions…
Merci à ceux qui voudront bien m’aider

Bonsoir,
J’avais pris le 2,5 car je comptais avoir une seconde application de ce Shelly mais au final je ne l’ai pas fait. Mais il pourrait je pense également commander la lampe ou que sais-je tout en sachant qu’il ne faut pas oublier que le neutre est commun et c 'est ce qui m’a posé problème pour d’autres fonctionnalités au moment de la mise en place.

Pour le reste et pour répondre à la question, tous les Shelly 1 rempliront la fonction de commutation. Les PM font de la mesure mais ne sera pas utilisé dans ce cas. C’est un autre qui mesure la puissance car je voulais conserver mon horloge mécanique ainsi que le bouton AUTO/OFF/MANUEL. De plus commander de la puissance avec ces engins, ils ne vont pas tenir longtemps. Je commande donc le relai avec un appareil et mesure avec un autre.

Et pour information finale, j’ai finalement balancé CE Shelly 2,5 car pour du 16A, ils ont du mal à prendre des cables 2,5mm² et mon filet tournait fou. J’ai au final opté pour du Sonoff dual R3 qui est l’équivalent à ma solution originale Shelly 2,5 qui se fixe au rail sans option supplémentaire. AU niveau de la connectique, ce sera exactement la même chose

Voila, j’espère avoir répondu de manière complète sans pour autant te noyer avec trop d’info.
Bien à toi
Vincent