Oui sans soucis. La seule différence avec 1 PM est qu’il n’y a pas de mesure mais dans ce cas précis, ce n’est pas utilisé car on commande un relai. Le 2,5 n’est qu’a peu près l’équivalent de 2x 1PM avec un neutre commun et une fois de plus ce n’est pas utilisé dans ce cas précis
Bonjour Vincent,
Merci pour ta réponse. Cela me semble désormais clair et je vais pouvoir m’y atteler.
Bien à toi.
Ok merci et concernant le branchement, sur ton schéma tu utilises la sortie « 01 » du module pour le raccordement à l’horloge, sur un shelly 1 il y a « 0 » ou « 1 », je dois utiliser laquelle du coup?
Bonjour à tous,
En me renseignant un peu sur les forums, j’ai pu trouvé quelques infos supplémentaires mais je n’arrive pas à tout mettre bout à bout. Cette conversation est la plus intéressante que j’ai trouvé je me permets donc d’intervenir.
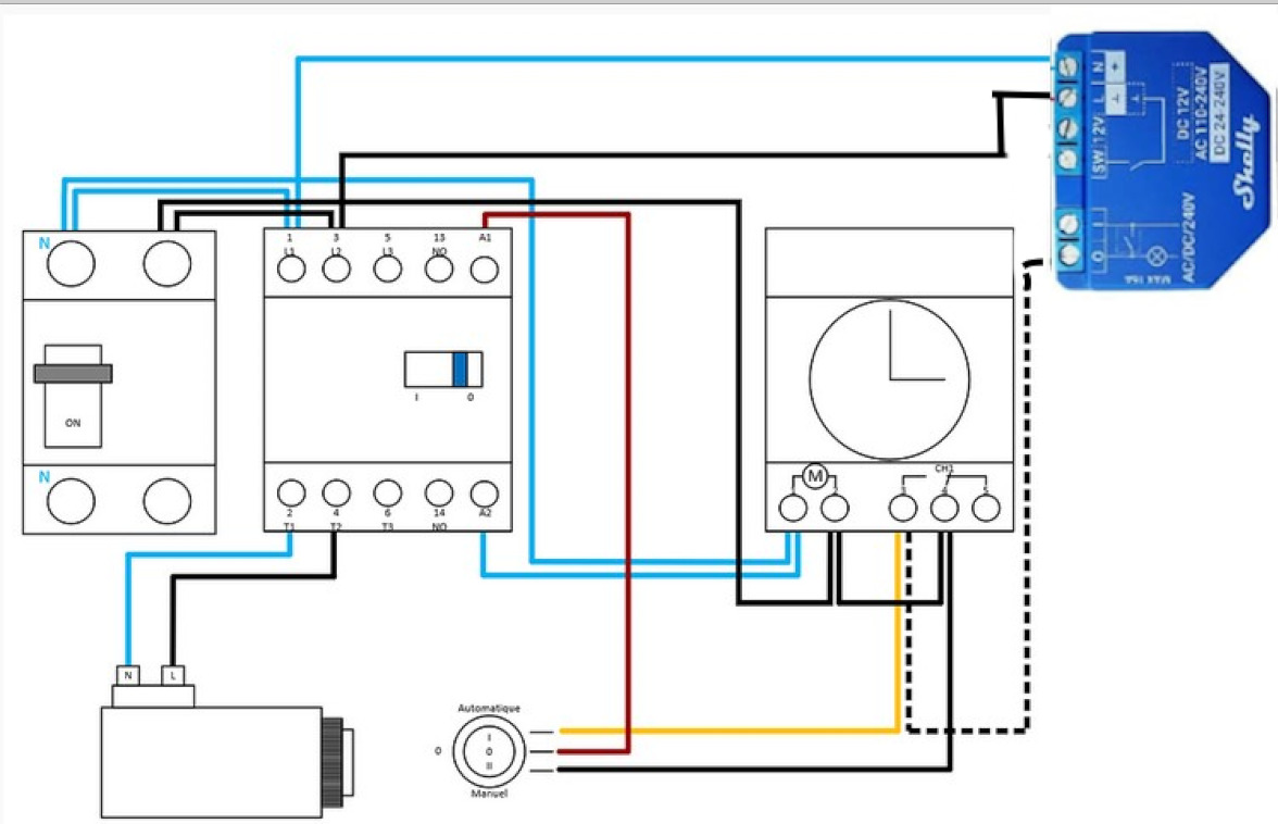
J’ai repris le schéma de mon boitier, et j’ai essayé de lui mettre les informations essentiels.
- Concernant la domotisation de la pompe, je souhaite me mettre en parallèle de l’horloge existante afin de pouvoir la remettre en route facilement en cas de défaillance du Wifi ou du Shelly 2PM. Du coup je pense qu’il faut que je connecte le O1 du Shelly sur le bornier 1 de l’horloge, n’est ce pas ?
- Concernant la lumière dois-je me connecter au niveau du disjoncteur C4 ? Ou au petit module qui est à gauche ?
Bonjour, pour l’alimentation du shelly il faudrait être sous un disjoncteur et là l’inconvénient est que la pompe est sous son disjoncteur moteur et l’éclairage a ça propre protection aussi.
Et comme sur l’image l’alimentation du shelly en amont du disjoncteur l’on peux se retrouver avoir une tension a cause de l’état du shelly en ayant couper les disjoncteur dans le coffret.
L’idéal serait de recâbler pour avoir une partie commande sous un disjoncteur (horloge, eclairage, shelly, relais) et la puissance disjoncteur moteur pour la pompe vu qu’il y a le relais pour la piloter.
Après le branchement pour l’horloge c’est sur la borne 2 et pour l’eclairage sur le bornier à côté du disjoncteur.
Merci pour ton intervention et ton commentaire avisé.
Je n’ai pas pensé que le Shelly 2PM pourrait poser problème sur l’alimentation et la protection .
Du coup je peux facilement partir sur 2 modules séparés, tant que ce sont des Shelly.
Que peux-tu me proposer ? Je mets un Shelly Plus 1 pour la pompe et un autre pour la lumière peut être ?
C’est pas le shelly le problème c’est le câblage, il faut l’alimentation sous le disjoncteur pas en amont comme sur l’image
Bonjour,
Merci pour ton intervention riche en information.
Petite mise au propre pour la continuité.
Dès que le wifi sera en place dans mon local, je vais commencer à faire les branchements comme ça.
Merci encore beaucoup à toi.
Toutefois est-ce que j’aurais toujours la possibilité d’utiliser le bouton 3 positions?
Par exemple :
- Le bouton OFF empêche de faire fonctionner la pompe ni avec l’horloge, ni avec le Shelly ? (C’est très important pour pouvoir faire les entretiens en sécurité (nettoyage filtre pompe, changement vanne 3 voies, etc.)
- Le bouton AUTO sera l’utilisation normal avec le Shelly qui me permettra de gérer une programmation et d’activer depuis le smartphone ou depuis l’assistant vocal.
- Le bouton ON fera fonctionner la pompe quoi qu’il lui ordonne l’horloge mécanique ou le Shelly ?
Si ce n’est pas le cas je dois ajouter quelque chose au SW du Shelly ? Vous en parlez à de nombreuses reprises. Du coup dois-je ajouter quelque-chose à mon schéma ?
Pour l’utilisation du bouton de lumière aussi ?
Encore merci.
Salut oui le commutateur fonctionnera comme auparavant le shelly est en parallèle avec l’horloge donc mode auto.
L’horloge ne servira plus une fois l’automatisation HA avec le shelly mise en place ou au pire en cas de panne du shelly. Tu pourras mettre le selecteur à 0 ou tout les picos de prog en off quand la prog HA sera opérationnelle.
Bonjour @FiiM ,
As tu braché ton shelly selon ton schéma? J’ai exactemement le même et j’ai effectué le branchement de ton schéma.
pb: lorsque je mets sur auto (minuterie désactivée) la pompe se lance quand même shelly eteint…???
ma logique voudrais que le L soit ponté sur le input (I) et que le output (O) soit relié sur le mode auto du bouton 3 positions.
je testerai mais j’aurais voulu savoir si chez toi cela fonctionnait.
merci
Bonjour c’est bien ce qui est représenté sur le schéma pont entre L et I. Puis O va sur la borne de l’horloge qui est sur auto du commutateur.
Bonjour oui. J’ai fait les branches du schéma ce week-end et ça fonctionne.
Rien de particulier niveau paramètres
Le pontage se fait bien sur le L et le (I)nput
Bonjour @oli_34,
Je tourne en rond. D’après ta réponse tu précises que le 0 va sur la borne de l’horloge qui est reliée sur auto du bouton 3 positions mais sur le schéma dont tu donnes le lien, je comprends que le 0 est relié sur le mode manuel du bouton…du coup je n’y comprends plus rien.
j’ai réalisé ce montage en question
et en fait la pompe tourne quelque soit la position du bouton…
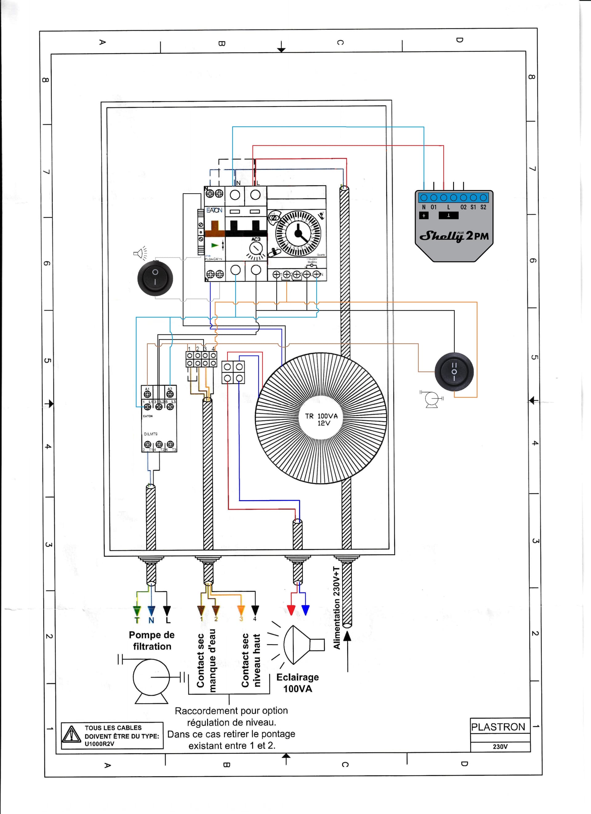
j’ai donc tenté le montage de @VincentVV ici: https://forum-test.hacf.fr/uploads/default/original/3X/0/a/0a4bcddaf32a950ec7f0a95b2fcd5577454fe04a.png . Voici ce que j’ai fait:
bon ben là le module shelly n’est plus du tout alimenté en courant. du coup je suis complètement largué et j’en appelle s’il vous plait à votre « expertise ».
Merci à vous deux.
Bonjour tu pourrais faire une photo globale où l’on voit bien les fils a quoi ils sont raccordés et sur le commutateur aussi.
D’après ce que je vois pour le mode auto il faut être sur la borne 4 de ton horloge
Ton shelly n’est plus alimenter car le disjoncteur moteur est à l’arrêt.
Bonjour @oli_34
merci pour ta réponse. le shelly n’est plus alimenté même disjoncteur enclenché (ma seconde image ci dessus). je pense qu’un pont entre le L et le I est nécessaire pour l’alimenter. du coup je ne comprends pas le schéma de @VincentVV (que je remercie à nouveau pour son aide, mais je n’ai pas du tout comprendre
).
concernant l’emplacement du bouton auto, quand je suis le fil auto partant du bouton, j’arrive sur l’emplacement 3…(en partant de l’extrémité gauche) mais en effet, je me suis fait la même remarque et je me suis dit qu’il fallait tenter d’inverser et mettre le 1 du shelly sur l’emplacement 4. mais avant de faire une connerie, j’ai préféré t’écrire.
voici donc une photo de mon tableau
j’ai identifié les emplacements manuel et auto en fonction des fils du bouton 3 positions.
merci de ton aide précieuse.
Salut @phil
Alimentation du Shelly
Si comme dans les 2 schémas présentés, tu raccordes ton Shelly derrière le disjoncteur, il est impossible qu’il ne soit pas alimenté. Si ton disjoncteur est bien enclenché aussi bien le relai que le Shelly seront alimenté.
Tu devrais donc avoir 230v entre L et N de ton Shelly.
Une fois cela validé, on peut passer à la suite ![]()
Raccordement de la sortie
-
Si tu utilises un Shelly 1 PM+ comme sur le schéma de @oli_34, comme sur son schéma, tu fais le pont entre L et I.
-
Si tu utilises un autre Shelly 1 ou 1 PM ou 2.5, comme sur mon schéma, tu raccordes comme sur mon schéma.
En soit, il ne faut pas réinventer la roue, les schémas sont fonctionnel et validé par quelques uns de la communauté. Il faut juste se dire qu’il peut avoir des connexions différentes en fonction des Shelly.
Raccordement en // de l’horloge / bouton / Shelly
Je ne vois pas bien les dessins de l’horloge mais en gros normalement tu as 3 borniers. Sur le schéma de @oli_34 , il est branché sur 2 et moi je suis branché sur 3 car les bornes ne sont pas numérotées de la même manière mais si tu regardes le dessin de chacun d’eux, on est raccordé de la même manière.
Il y a 3 bornes, 1 seule et 2 en contact. On est connecté sur celle qui est seule (aide toi des schémas pour visualiser ce que je dis)
Courage, tu y es presque… Après il te restera à faire une belle programmation dans ton HA ![]()
Bonjour @VincentVV ,
Merci pour ta réponse. Je vais m’y atteler et si tu le permets, je reviendrai vers toi si pb. Encore un gros merci pour ton aide. Pour la programmation sur HA c’est déjà fait. J’avais installé une simple ampoule pour tester l’intégration shelly et sheduler…
bien à toi.









